无分电器电控点火系统:双缸同时点火、单独点火方式、二极管配电点火方式

特点:用电子控制装置取代了分电器,利用电子分火控制技术将点火线圈产生的高压电直接送给火花塞进行点火,点火线圈的数量比有分电器电控点火系统多。
优缺点:分火性能较好,但其结构和控制电路复杂。
根据点火线圈的数量和高压电分配方式的不同,该点火系统又可分为:
②同时点火方式
(一)双缸同时点火
⑴一缸在压缩上止点前时点火,另一缸在排气上止点前点火。曲轴转360°,两缸冲程对调。
⑵一个点火线圈的次级绕组分别与两个火花塞串联同时跳火。
⑶压缩行程一缸的压力高,火花塞击穿电压高,排气行程一缸的压力低,火花塞击穿电压低。阻抗绝大部分在压缩一缸的火花塞上,点火能量主要通过该火花塞释放。
特点:点火线圈的数等于气缸数的一半。


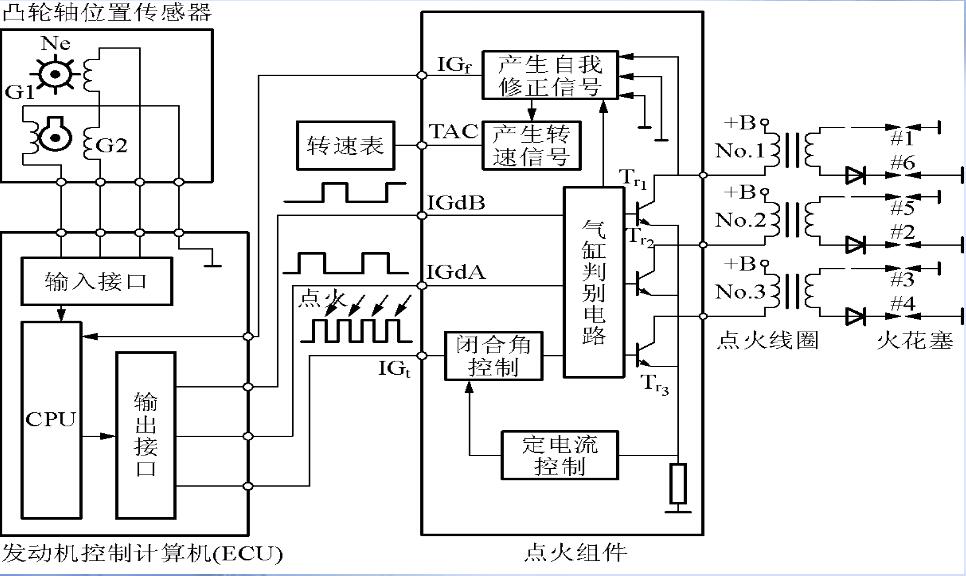
(二)单独点火方式
这种点火方式相当于每一气缸单独采用一套独立的点火装置,分别独立对每一缸进行点火。在每一个气缸的火花塞上各配有一个点火线圈。这种点火方式特别适合在四气门发动机上装用,火花塞可安装在双凸轮轴中间,在每一缸火花塞上直接压装一个点火线圈,充分利用了安装空间,这对V型多缸发动机舱的合理紧凑布置具有重要的实用意义。
特点:是每缸一个点火线圈,即点火线圈的数量与气缸数相等。

(三) 二极管分配式点火方式点火顺序1-3-4-2的四缸发动机,采用同时点火方式。VT1截止,一次线圈上的电流切断,二次线圈感应高压电为上“-”下“+” ,2、3缸火花塞构成回路跳火;VT2截止,一次线圈下的电流切断,二次线圈感应高压电为上“+”下“-” ,1、4缸火花塞构成回路跳火。
特点:四个气缸共用一个点火线圈。

二极管分配式同时点火的工作原理图

1—1、4缸触发信号;2—电子点火控制器;3—控制部分;4—稳压器;5一初级绕组A;6—高压二极管;
7—次级绕组;8—初级绕组B;9—2、3缸触发信号
